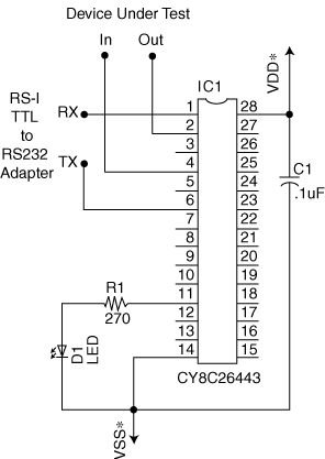
Figure 3: Simple tester.

Back to Article