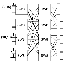
Figure 2: Example network traffic created by two messages on the Myrinet switch between nodes 2,15 and 13,15.

Back to Article