Building Intelligent, Web-Based Control Systems

By Tom Milligan and Steve Coffin

Dr. Dobb's Journal March 1998

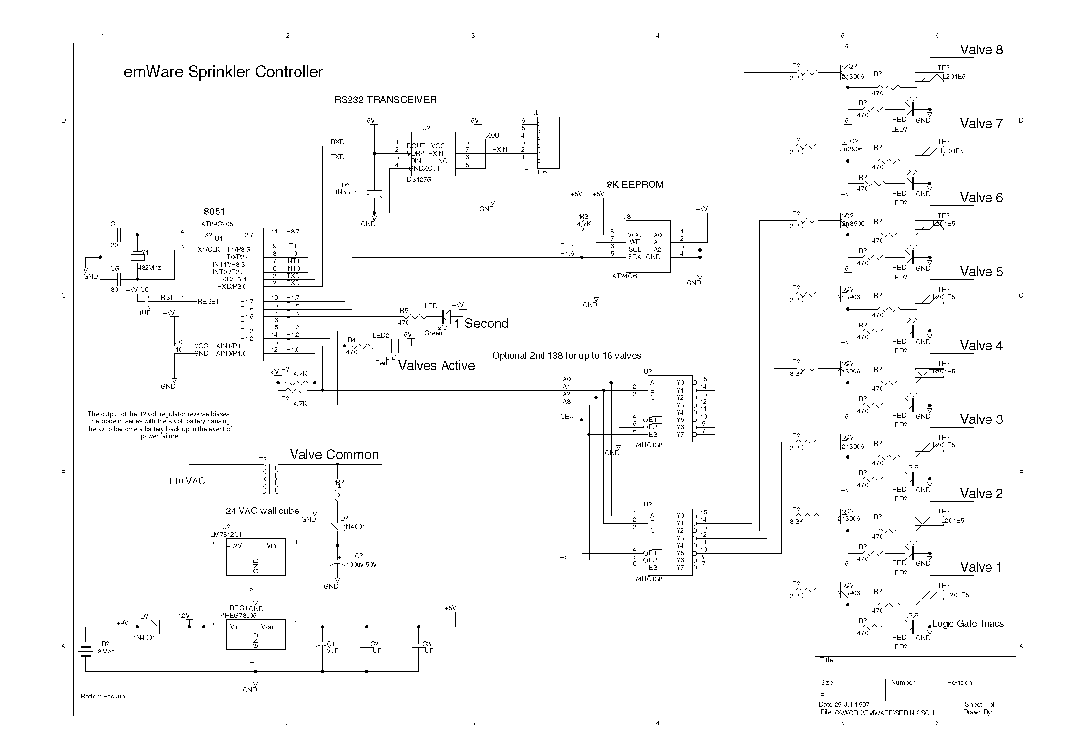
Figure 3: Schematic for the sprinkler controller system.

Back to Article


Copyright © 1998, Dr. Dobb's Journal