The Enhanced Parallel Printer Port for Fast I/O

By Dhananjay V. Gadre and Larry A. Stein

Dr. Dobb's Journal October 1997

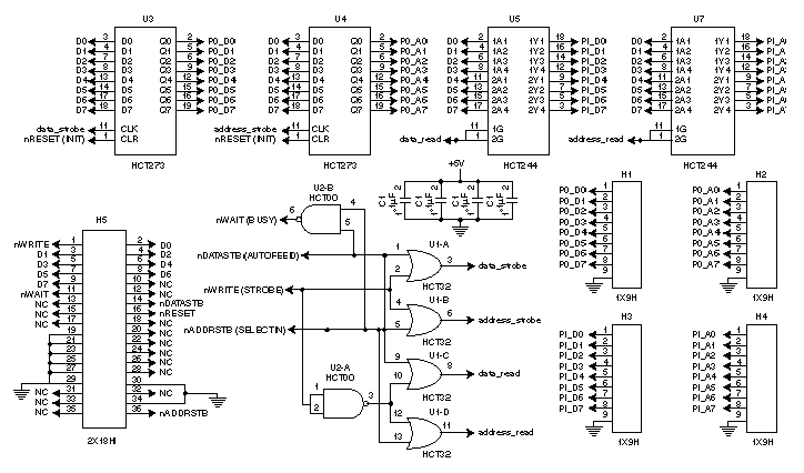
Figure 5: Digital I/O prototype circuit diagram.

Back to Article


Copyright © 1997, Dr. Dobb's Journal